実用編 コンベア起動/停止 リレーロジック

Relay Logic ハード

序文

起動スイッチは押した瞬間だけ反応する。停止スイッチは押している状態で起動禁止を保持する。
一見すると少し独特な仕様に見えるけれど、実はどの現場でも自然に受け入れられている
「停止優先の安全対策」を、そのまま形にしたもの。

「動かすときは、押した瞬間だけ拾えばいい」
「止めたときは、その“止めた”という状態をちゃんと覚えておいてほしい」

そんな、作業者の感覚に寄り添ったロジック。
リレーでもPLCでも、この考え方さえ押さえておけば、設備が変わっても同じように組み立てられる。

仕様の整理

2ヶ所から操作

この回路は、起動 / 停止操作を A 系統と B 系統の 2 か所から行える構成になっている。 どちらの系統からの操作も、最終的には RUN-A/RUN-B を経由して 起動条件へ入力される仕組みである。

起動SWは微分でしかトリガしない

起動操作は「押した瞬間だけ」を拾う方式になっている。
これは、[起動SW] のON状態をそのまま保持させず、立ち上がりの瞬間だけを検出するという設計。
R/Sラッチ(自己保持)を使うと、[起動SW] と [停止SW] が同時に押された時、先に [停止SW] を放してしまうと起動してしまうから。

そう言う理由から [起動SW] は “瞬間の意思” だけを扱うのが基本になる。

停止SWは状態で起動禁止を保持する

停止操作は「押した瞬間」ではなく、「押されたという状態」を保持する。 一度停止が入ったら、誰かが意図して解除するまで起動できないようにするための仕組みで、停止優先の安全対策として広く使われている。

停止SWは安全のため 2b接点 直列接続で二重化

停止系は、片側の接点が故障しても安全側に倒れるように、2b接点を直列接続で使う二重化構成(フェールセーフ構成)になっている。

なお、PLCでは ラダー上で同じ入力接点をいくつ並べても安全性は向上しない。入力デバイスが1点壊れれば、その1点がそのまま壊れるだけで、リレーのように物理的な二重化にはならない。 安全を確保したい場合は、ハード側で2b接点を使って二重化するのが基本になる。

最小限のリレー点数で構成

今回の回路は、必要な安全性を確保しつつ、リレー点数を最小限に抑えている。リレーが増えると、系全体の故障率が累積して上がるだけでなく、配線工数・部品代・盤スペース・可読性といった実務上のコストも跳ね上がる。だからこそ、安全を落とさずにシンプルにまとめる設計が重要になる。

回路図の読み方(リレーロジック図面の解説)

図面のPDFファイルはここから

https://yenqoo.com/spices/hard/relay_conv/Cv_RyLogic1_00.pdf

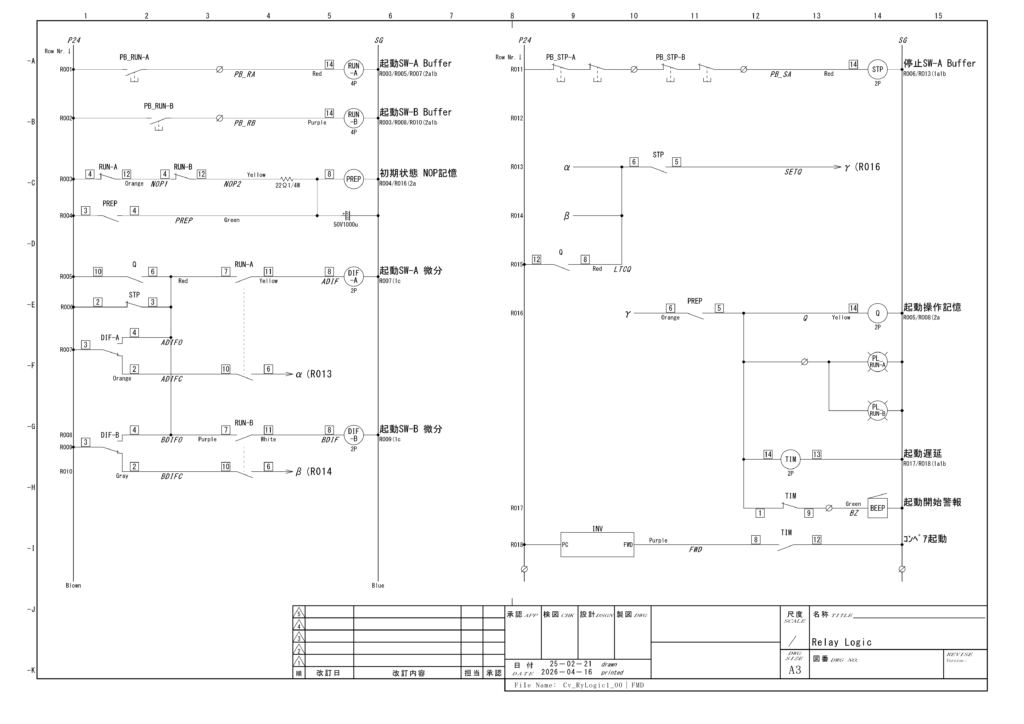
R003行 [ PREP ](初期状態 NOP記憶

電源投入時に「起動SWが両方 OFF であること(操作されていないこと)」を確認するための最初の関所が リレーPREP である。PREP 励磁回路は抵抗とコンデンサを使った ON 遅延回路で、両起動スイッチの OFF 状態を見ている。動作は次のようになる。

  • 電源投入直後、コンデンサは空で、抵抗経由で コンデンサに電流が流れる
  • コンデンサ電圧が立ち上がり、PREP コイルが励磁される
  • PREP の自己保持接点が入り、PREP は永久ラッチに入る
  • ラッチ後、PREP コイルへの電流供給は自己保持接点が支配的になり、抵抗経路の電流はゼロになる

この PREP が立っていることが「初期正常状態」であり、後段のラッチが成立するための 最初のゲート になる。

~ ここでON遅延を入れる理由 ~
リレー【RUN-A】(操作側 A)で説明する。

起動SWを押したまま電源を投入すると…
リレー【RUN-A】と リレー【PREP】の立ち上がり速度の差によって、リレー【PREP】が先に励磁し、ラッチすることがある。
このとき リレー【RUN-A】 の鉄片はまだ吸引しておらず、b 接も動かないため、
リレー【PREP】がラッチしてしまい、そのままコンベア起動条件が揃ってしまう。

この現象は 100%ではないが、高い確率で発生する。
原因は、起動SWバッファリレー【RUN-A】と NOP 記憶リレー【PREP】の
動作速度のばらつき(個体差・型式差・メーカー差)によるものである。
リレーは物理部品であり、立ち上がり速度が揃う保証は存在しない。

そのため、リレー【PREP】を眠らせる時間は、
リレー【RUN-A】が“最も遅く立ち上がる場合”でも確実に励磁し、b 接が完全に OFF するまでの時間以上でなければならない。
この“リレー【RUN-A】 が確実に先に立つ”ことを保証するためにこの遅延が必要となる。

なお、この考え方は PLC の世界では理解されにくい。
PLC のコイルと接点は 1 スキャンで理想的に同時に更新され、
“コイルはONしているのに接点がまだONしない”といった現象が存在しないためである。
そのため、記述順序だけ注意すればよい。
しかしリレー回路では、コイルと接点が物理的に別の速度で動くため、この遅延は誤動作防止と安全確保のために不可欠となる。

R001/002行 [ RUN-A ] / [ RUN-B ](起動SWのバッファ

起動SWは直接ロジックに使わず、RUN-A / RUN-B のバッファリレーで受ける。機械式SWは複数接点が同時に切り替わらず、接点ごとにタイムラグが出るためである。

  • バッファで同期を取る
  • バッファの複数接点はほぼ同時に切り替わる
  • 起動信号を複数箇所へ分岐できる

R011行 [ STP ](停止SWのバッファ

停止SWは 2b 直列のフェールセーフ構成で、どちらか1つでも異常があれば必ず停止側に倒れる。しかし停止SWも複数接点が同時に切り替わらないため、リレーSTP で同期を取る。

リレーSTP は最終段ラッチと [起動SW] 押しっぱなし時のリトリガのゲートになっている。

R005/008行 [ DIF-A ] / [ DIF-B ](起動SWの微分

起動SWは 押した瞬間だけを拾う微分構成になっている。ON を保持させず、立ち上がりの瞬間だけをパルス化する。

R/Sラッチを使うと

  • 起動SWと停止SWを同時押し
  • 先に停止SWを離すと起動してしまう

という 停止優先が崩れる危険 があるため、微分が必須になる。


このラッチは、起動SWの “立ち上がりだけ” を拾った微分パルスで成立します。
その微分で動作するロジックがどうやって生まれているのかは、下記サイト「PLCのスパイス」で記事にまとめています。
興味があれば覗いてみてください。

PLCのスパイス フリップ・フロップ

R016行 [ Q ](起動操作記憶 と ゲート

微分パルスは一瞬なので、そのままでは後段へ伝わらない。そこで起動リレーが自己保持(ラッチ)する。ただし、ラッチが成立するには次の3条件がすべて必要である。

  • PREP リレー(電源投入時 起動SW OFF確認)が立っている
  • STPリレー(停止SWが押されていない)が立っている
  • 微分パルスが来る

この三つが揃って初めてラッチが成立する。PREP リレーは 「初期正常状態であること」 を保証するゲートとして働く。

R017行 [ TIM ] / [ BEEP ](起動遅延と警報

ラッチが成立しても、すぐにコンベアは動かない。まず ブザーで周囲に知らせる予告時間 を作る。

  • リレー Q(起動操作記憶)が ON
  • タイマ が動作開始
  • タイマ 動作中は、警報 が鳴る(起動予告)
  • タイマ アップ 後に、インバータの正転信号を ON(コンベア起動)

タイマの目的は機械保護ではなく、人への注意喚起である。

PLCサンプル(DLリンクと使い方だけ)

この章の位置づけ

ここでは、2章で説明したリレー回路と同じ動作をする PLC ラダーを
「動作確認用のサンプル」 として置いておく。
本編はあくまで実態リレーの構造なので、PLC の詳細解説は行わない。

サンプルのターゲットは KV‑8000(Keyence)で作成している。

コードは下のリンクから

https://yenqoo.com/spices/hard/relay_conv/rs_CV.zip‘

使い方

KV-STUDIO でシミュレーションしてください。

ENDH 以降にモニタ用として [起動SW] / [停止SW] / [ランプ] / [ブザー] / [インバータ] の各デバイスを配置しています。

タイトルとURLをコピーしました